聯系人:王經理
手機:18738599917(微信同號)
電話:0373-8955667
郵箱:hnysqzsb@126.com
地址:河南省長垣縣起重工業園區

聯系方式
contact us聯系人:王經理
手機:18738599917(微信同號)
電話:0373-8955667
郵箱:hnysqzsb@126.com
地址:河南省長垣縣起重工業園區
【聯系電話】18790530797
由電力驅動的起重機是工礦企業、交通運輸中對物料、貨物進行搬運的主要設備。電動葫蘆起重機有兩種類型: 一類是沒有行走機構固定安裝的,只能用在固定場合;另一類是裝有電動小車的,可安裝在單梁橋(門)或起重機帶曲線的單軌懸空工字梁.上。它由集中驅動電動機、減速器、鋼繩卷筒等組成,造型緊湊, 操作方便。因此被廣泛用于工礦企業中。

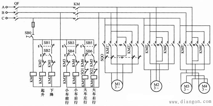
由于該橋式起重機的起重能力較小,因此驅動電動機都采用單速直接起動的錐形轉子特殊電動機,以保證足夠的制動力矩。錐形轉子的作用是造成非均勻磁場,大端磁場弱,小端磁場強。當定子繞組通電時,轉子將向帶風扇的小端方向竄動,使轉子的軸向彈簧受到壓力,同時使帶摩擦片的風扇與后端蓋的錐面(或平圓環面)脫開,電動機即可運轉。當定子繞組斷電后,磁場消失,在彈簧作用下,轉子被推回到大端方向,轉子摩擦片與后端蓋的錐面(或平圓環面)相摩擦而制動。下圖是為單梁橋(門)式電動葫蘆起重機電路:
圖中SBO和SB1 ~SB6裝在隨車行走的懸掛按鈕盒里,大車行走采用同型號、同規格電動機以及同時供電方式和點動控制方式,具有電氣和機械連鎖保護和超行程保護功能。當大車或吊鉤超過極限行程位置時,只能作相反方向的點動,到限位開關復位后,才能恢復正常工作。
以上就是關于單梁橋(門)式電動葫蘆起重機電路圖,想要了解更多起重機方面的知識,歡迎電話咨詢!

聯系人:王經理 18738599917(微信同號)
電話:0373-8955667
郵箱:hnysqzsb@126.com
總部:河南省長垣縣起重工業園區
福建地址:福建省福州市倉山區螺洲鎮杜園路18號海峽西岸國際物流商貿城